|
Building Owner
|
PCCW-HKT Telephone Limited
|
Replacement of more energy efficient uninterrupted power system (UPS)
| | Building/Project Name |
Yuen Chau Kok Exchange
| | Systems |
Commercial Appliances - Server Room / Data Centre
| | Building Types |
Commercial - Data Centre / Server Room
|
Description of the building:
- A 9-storey building with offices, datacentres, telephone exchange areas and a canteen.
- IT loads are served by Uninterruptible Power Supply (UPS) System.
Retrofitted initiative:
- Replace the obsoleted UPS systems in smaller rating (UPS 7.3A&B, 7.4A&B, 3.5A&B, 3.6A&B) by new UPS systems in larger rating (UPS 7.3A&B, 7.4A&B) with high conversion efficiency.
- Remove isolation transformers.
Observed benefits other than energy saving:
- Improve the reliability of the uninterruptible power supply for mission critical equipment.
- Reduce the maintenance cost.
General observations of the retrofitting project:
- UPS system retrofit has not affected the users.
- Standard retrofitting initiatives with proven technologies and straight forward.
- Retrofit requires diversion of IT loads. Some disturbance to tenants but manageable.
- Overall a well justified project with good outcomes with tangible and non-tangible benefits.
Other information:
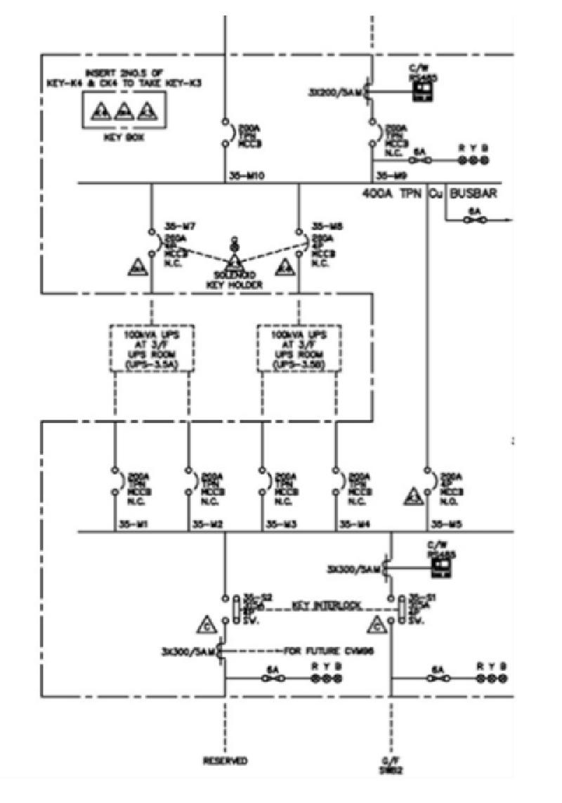
- Schematic Diagram showing the old UPS system
| Old UPS3.5A & B |
Old UPS7.3A & B |
 |
 |
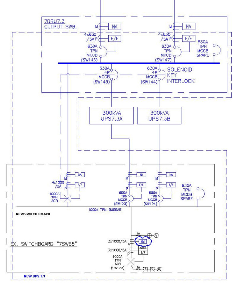
- Schematic Diagram showing the new UPS system
| Cost |
Saving |
| Total cost: |
HKD 3,564,000 |
Total savings/year: |
HKD 1,100,000 |
| Cost breakdown: |
UPS c/w all necessities
HKD 2,244,000
Backup Batteries
HKD 1,320,000 |
Savings/year breakdown: |
HKD 850,000 - electricity consumption cost saving due to improved UPS conversion efficiency
HKD 250,000 - Saving in maintenance cost |
| Payback: |
2 years |
| Subsidy/ Funding |
| The project is supported by: |
CLP Eco Building Fund |
| |
|
Replacement of more energy efficient uninterrupted power system (UPS)
|
|
|
Building Owner
|
PCCW-HKT Telephone Limited
| | Building/Project Name |
Yuen Chau Kok Exchange
| |
Systems |
Commercial Appliances - Server Room / Data Centre
| |
Building Types |
Commercial - Data Centre / Server Room
|
Description of the building:
|
|
- A 9-storey building with offices, datacentres, telephone exchange areas and a canteen.
- IT loads are served by Uninterruptible Power Supply (UPS) System.
Retrofitted initiative:
- Replace the obsoleted UPS systems in smaller rating (UPS 7.3A&B, 7.4A&B, 3.5A&B, 3.6A&B) by new UPS systems in larger rating (UPS 7.3A&B, 7.4A&B) with high conversion efficiency.
- Remove isolation transformers.
Observed benefits other than energy saving:
- Improve the reliability of the uninterruptible power supply for mission critical equipment.
- Reduce the maintenance cost.
General observations of the retrofitting project:
- UPS system retrofit has not affected the users.
- Standard retrofitting initiatives with proven technologies and straight forward.
- Retrofit requires diversion of IT loads. Some disturbance to tenants but manageable.
- Overall a well justified project with good outcomes with tangible and non-tangible benefits.
Other information:
- Schematic Diagram showing the old UPS system
| Old UPS3.5A & B |
Old UPS7.3A & B |
 |
 |
- Schematic Diagram showing the new UPS system
| Cost |
Saving |
| Total cost: |
HKD 3,564,000 |
Total savings/year: |
HKD 1,100,000 |
| Cost breakdown: |
UPS c/w all necessities
HKD 2,244,000
Backup Batteries
HKD 1,320,000 |
Savings/year breakdown: |
HKD 850,000 - electricity consumption cost saving due to improved UPS conversion efficiency
HKD 250,000 - Saving in maintenance cost |
| Payback: |
2 years |
| Subsidy/ Funding |
| The project is supported by: |
CLP Eco Building Fund |
| |
|
Replacement of more energy efficient uninterrupted power system (UPS)
|
|
|