|
Building Owner
|
Hyatt Regency Hong Kong, Shatin
|
Replacement of electric/gas heater/boiler to heat pump
| | Building/Project Name |
Hyatt Regency Hong Kong, Shatin
| | Systems |
HVAC - Heating System
| | Building Types |
Commercial - Hotel & Hostel/Apartment
|
Description of the building:
- 5 Stars Hotel. A Refreshing Urban Resort in Hong Kong Located adjacent to the University MTR Station in Sha Tin
- Total 567 guest rooms & 9 treatment rooms
- L5-L12, 275rooms +9 treatment rooms for Low Zone
- L13-L21, 207 rooms for Mid Zone
- L22-L26, 82 rooms for High Zone

Retrofitted initiative:
- For High Zone hot water system, L22-L26, total 82 rooms.
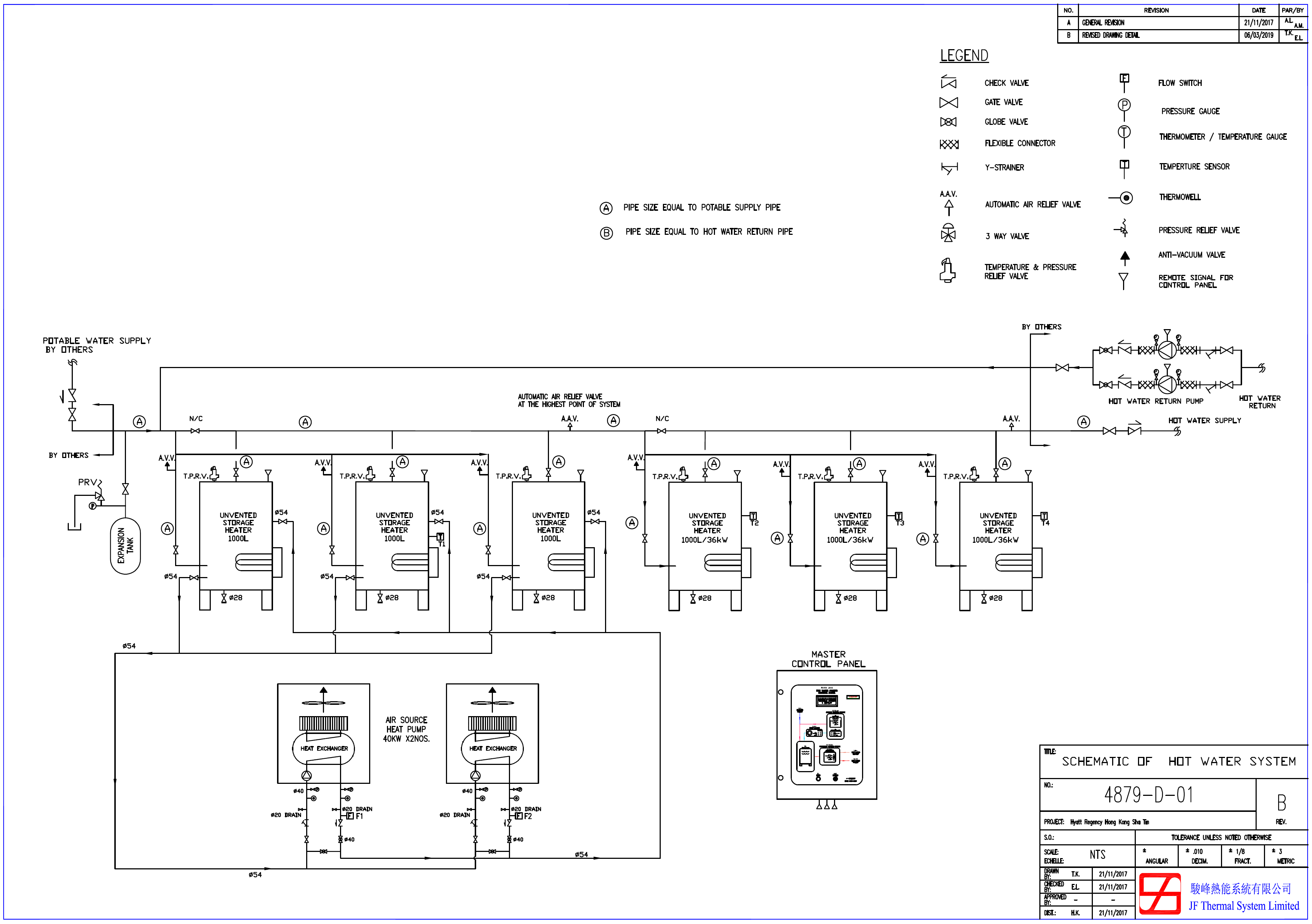
- Replace original 24nos. of ~60kW Town Gas heaters (total energy output ~1440kW) by Heat Pump System.
- The heat pump system consists of 2nos. 40kW Air source heat pumps, 3nos. 1000L storage tanks and 3nos. 1000L/ 48kW storage heaters. (total output ~224kW), and with master control panel.
High Zone Heat Pump System

Observed benefits other than energy saving:
- Smoother operation, Central monitoring and operation by master control panel.
- Reduced maintenance cost due to less equipment used.
- No CO2 exhaust to environment on site.
- Stable and continuous hot water output.
- Better water balancing supply.
General observations of the retrofitting project:
- Heat pump system retrofitting work have not affected the hot water supplies.
- New system have been installed beside the existing, these would be changed over for replacing original gas heaters system at after system cleaning, self-tested, detail testes and trial running.
Other information:
Original High Zone Gas Heaters:
24 Nos. Town Gas Heaters
  
High Zone – Hot Water System after Retrofit:
3nos. 1000L storage tanks and 3nos. 1000L, 48kW storage heaters
 
2nos. 40kW Air source heat pumps

1 no. master control panel

| Cost |
Saving |
| Total cost: |
HKD 1,081,500 |
Total savings/year: |
HKD 250,000 |
| Savings/year breakdown: |
Heat Pump C.O.P. = 3.0~3.5 |
| Cost breakdown: |
Equipment: HKD 543,500
Material and Labour: HKD 538,000 |
Payback: |
4.33 years |
| Name of the consultant and contractor |
| JF Thermal System Limited |
| |
|
Replacement of electric/gas heater/boiler to heat pump
|
|
|
Building Owner
|
Hyatt Regency Hong Kong, Shatin
| | Building/Project Name |
Hyatt Regency Hong Kong, Shatin
| |
Systems |
HVAC - Heating System
| |
Building Types |
Commercial - Hotel & Hostel/Apartment
|
Description of the building:
|
|
- 5 Stars Hotel. A Refreshing Urban Resort in Hong Kong Located adjacent to the University MTR Station in Sha Tin
- Total 567 guest rooms & 9 treatment rooms
- L5-L12, 275rooms +9 treatment rooms for Low Zone
- L13-L21, 207 rooms for Mid Zone
- L22-L26, 82 rooms for High Zone

Retrofitted initiative:
- For High Zone hot water system, L22-L26, total 82 rooms.
- Replace original 24nos. of ~60kW Town Gas heaters (total energy output ~1440kW) by Heat Pump System.
- The heat pump system consists of 2nos. 40kW Air source heat pumps, 3nos. 1000L storage tanks and 3nos. 1000L/ 48kW storage heaters. (total output ~224kW), and with master control panel.
High Zone Heat Pump System

Observed benefits other than energy saving:
- Smoother operation, Central monitoring and operation by master control panel.
- Reduced maintenance cost due to less equipment used.
- No CO2 exhaust to environment on site.
- Stable and continuous hot water output.
- Better water balancing supply.
General observations of the retrofitting project:
- Heat pump system retrofitting work have not affected the hot water supplies.
- New system have been installed beside the existing, these would be changed over for replacing original gas heaters system at after system cleaning, self-tested, detail testes and trial running.
Other information:
Original High Zone Gas Heaters:
24 Nos. Town Gas Heaters
  
High Zone – Hot Water System after Retrofit:
3nos. 1000L storage tanks and 3nos. 1000L, 48kW storage heaters
 
2nos. 40kW Air source heat pumps

1 no. master control panel

| Cost |
Saving |
| Total cost: |
HKD 1,081,500 |
Total savings/year: |
HKD 250,000 |
| Savings/year breakdown: |
Heat Pump C.O.P. = 3.0~3.5 |
| Cost breakdown: |
Equipment: HKD 543,500
Material and Labour: HKD 538,000 |
Payback: |
4.33 years |
| Name of the consultant and contractor |
| JF Thermal System Limited |
| |
|
Replacement of electric/gas heater/boiler to heat pump
|
|
|